一、產品介紹
BND-S30K-80激光功率計探頭適用于測量高功率密度的激光,水冷卻模式下最大持續測量功率可達30kW,具有?80mm的探測口徑。
二、產品特征
· 錐體結構
· 水冷模式
· 80mm探測口徑
· PC端USB接口輸出可選
· 最大連續測量功率可達30kW
三、產品參數
| 型號 | BND-S30K-80 |
| 吸光范圍(μm) | 0.8 - 25 |
| 最大功率(kW) | 30 |
| 吸收體類型 | PT |
| 探測口徑(mm) | 80 |
| 最大平均功率密度 | 10kW/cm2 |
| 入射光束照射要求 | 為避免收集器受損壞,對入射光束照射位置與傾斜角度提出如下要求: ①入射光束中心應照射在探頭錐體中心,最大位置偏移量不超過光斑直徑的1/4。 ②入射光束最大傾斜角度±5度。 |
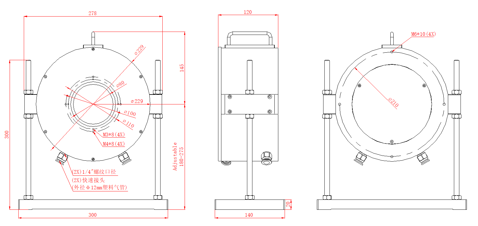
| 規格(mm) | Φ229 × 120 |
| 冷卻方式 | 水冷 |
| 冷卻水流量(L/min) | 8 - 15 |
四、尺寸

